通风蝶阀性能参数
| 公称通径 | DN(mm) | 50~2000 | ||
| 公称压力 | PN(MPa) | 0.05 | 0.25 | 0.6 |
| 试验压力 Ps(MPa) | 强度试验 | 0.075 | 0.375 | 0.9 |
| 密封试验 | ≤1.5%泄漏量 | |||
| 适用介质 | 煤气、含尘气体、烟道气等 | |||
| 驱动形式 | 手动、蜗杆蜗轮传动、气传动、电传动 | |||
通风蝶阀特点
1、通风蝶阀设计新颖、合理,结构独Te,重量轻,启闭迅速。
2、蝶阀操力矩小,操作方便,省力灵巧。
3、采用适应的材料以满足低、中、高不同介质温度其及腐蚀性介质等。
4、内无连杆、螺栓等、工作可靠、使用寿命长,不受介质流向影响。

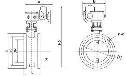
通风蝶阀主要外形和连接尺寸
公称通径 | 主要外形尺寸和连接尺寸 | |||||||
L | D1 | D | Z-d | H | H0 | A | B | |
50 | 108 | 110 | 140 | 4-14 | 70 | 215 | 270 | 65 |
65 | 112 | 130 | 160 | 4-14 | 80 | 235 | 270 | 65 |
80 | 124 | 150 | 190 | 4-18 | 95 | 263 | 270 | 65 |
100 | 127 | 170 | 210 | 4-18 | 105 | 283 | 270 | 65 |
125 | 140 | 200 | 240 | 8-18 | 120 | 313 | 310 | 65 |
150 | 140 | 225 | 265 | 8-18 | 132.5 | 338 | 310 | 65 |
200 | 152 | 280 | 320 | 8-18 | 160 | 493 | 365 | 90 |
250 | 165 | 335 | 375 | 12-18 | 187.5 | 550 | 365 | 90 |
300 | 178 | 395 | 440 | 12-22 | 220 | 615 | 365 | 90 |
350 | 190 | 445 | 490 | 12-22 | 245 | 678 | 365 | 90 |
400 | 216 | 495 | 540 | 16-22 | 270 | 727 | 365 | 90 |
450 | 222 | 550 | 595 | 16-22 | 297.5 | 782 | 365 | 90 |
利来国际相关的文章
在工业管道系统选型中,插板阀能否长期稳定运行,首要前提是其材质与适配的介质类型兼容。不同介质(如气体…
在工业管道系统中,系统工作压力是决定插板阀能否安全运行的核心参数之一。若插板阀的公称压力与系统工作压…
在化工、油气等存在防爆要求的工业场景中,系统内常存在易燃易爆介质(如汽油、甲醇、可燃气体),插板阀若…
在工业生产中,若系统存在振动工况(如泵组附近管道、压缩机出口管路、矿山振动筛配套管道),普通插板阀易…
通风蝶阀在食品加工行业的卫生要求
通风蝶阀的流体动力学分析与优化通过CFD模拟和实验测试,可以提高其性能、减少损失并确保气流均匀分布。优…